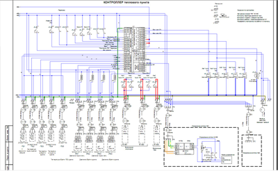
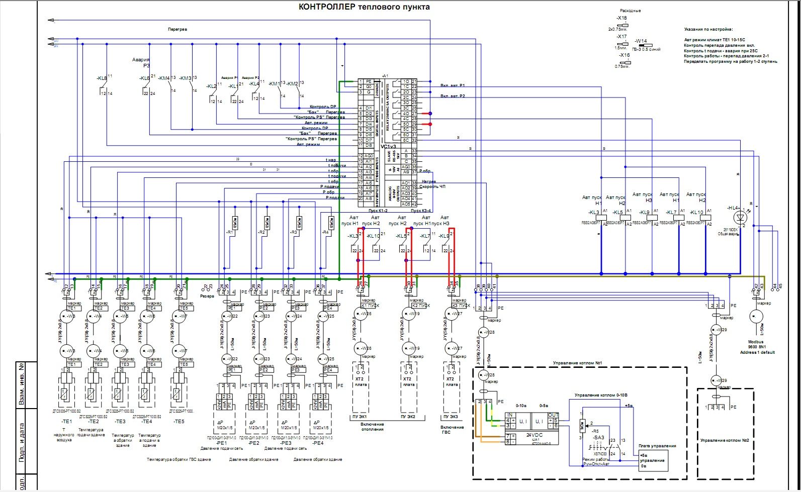
Контроллер HC1 является конфигурируемым и предназначен для автоматизации и диспетчеризации различных систем отопления и ГВС.
Быстрая и простая настройка, надёжная работа. Экономия трудозатрат.
Может использоваться как преобразователь 0-10В/ КЗР "открыто-закрыто" (2 штуки в контроллере).
Бюджетный улучшенный аналог контроллеров ECL310, ECL4 без ограничения приложений.
Контроллер имеет в своём составе регуляторы для каждого гидромодуля:
- Контур нагрева отопления или ГВС (по выбору пользователя) - 2 штуки
- Контур насосной группы. В группе не более 2-х насосов (основной и резервный) - 2 штуки.
- Контур подпитки - 2 штуки
- Контроль работы насосов и их автоматическая смена по времени и аварии
- Контроль сухого хода и автоматическая подпитка по времени
- Поддержание давления или перепада в контуре
- Управление водяными и электрическими нагревателями, ШИМ, КЗР, 0-10В.
- Связь с компьютером или панелью управления по стандартному протоколу Modbus.
- Полная настройка по месту или удалённо.
Контроллер HC1 является конфигурируемым и предназначен для автоматизации и диспетчеризации различных систем отопления и ГВС.
Быстрая и простая настройка, надёжная работа. Экономия трудозатрат.
Может использоваться как преобразователь 0-10В/ КЗР "открыто-закрыто" (2 штуки в контроллере).
Бюджетный улучшенный аналог контроллеров ECL310, ECL4 без ограничения приложений.
Контроллер имеет в своём составе регуляторы для каждого гидромодуля:
- Контур нагрева отопления или ГВС (по выбору пользователя) - 2 штуки
- Контур насосной группы. В группе не более 2-х насосов (основной и резервный) - 2 штуки.
- Контур подпитки - 2 штуки
- Контроль работы насосов и их автоматическая смена по времени и аварии
- Контроль сухого хода и автоматическая подпитка по времени
- Поддержание давления или перепада в контуре
- Управление водяными и электрическими нагревателями, ШИМ, КЗР, 0-10В.
- Связь с компьютером или панелью управления по стандартному протоколу Modbus.
- Полная настройка по месту или удалённо.
-
Документы
ИТП эконом КЗР 2 контура.zip1.4 Мб, 26 февраля в 12:03Инструкция по эксплуатации на контроллер отопления HC1 v5 2025 год.pdf2.7 Мб, 20 февраля в 22:37ША-ИТП 9 ступеней Автокад.rar364.6 кб, 16 октября в 22:57Техопсание и инструкция по эксплуатации HC1 v43.pdf2.6 Мб, 16 октября в 22:362 контура отопления или ГВС, МастерСКАДА и ModbusОРС Инсат.rar1.9 Мб, 30 августа в 12:16ЩА-ИТП 2 контура отопления/ГВС +4ЧП Автокад.rar1.4 Мб, 23 декабря в 09:38ИТП Эл_котлы 0-10в 2 контура Smart Struxure.rar242.3 кб, 22 декабря в 12:25
Удалить товар
Вы точно хотите удалить выбранный товар? Отменить данное действие будет невозможно.